Catalogue
Vous ne trouvez pas votre pièce ? Cliquez ici pour nous contacter !
Rechercher
Aidez moi à trouver ma pièce !
Se connecter
Panier
0
search
Catalogue
Vues éclatées
Meilleures ventes
Promotions
FAQ
Contact
Connexion
Se connecter
Panier
0
Accueil
Vues éclatées
Meuleuse
Vues éclatées - Meuleuse
5 vue(s) éclatée(s) trouvée(s)
Trier par
Plus récents
Plus anciens
Nom A-Z
Nom Z-A
Meuleuse
Makita
Pièces détachées meuleuse d'angle Makita 9558HN
Meuleuse
Makita
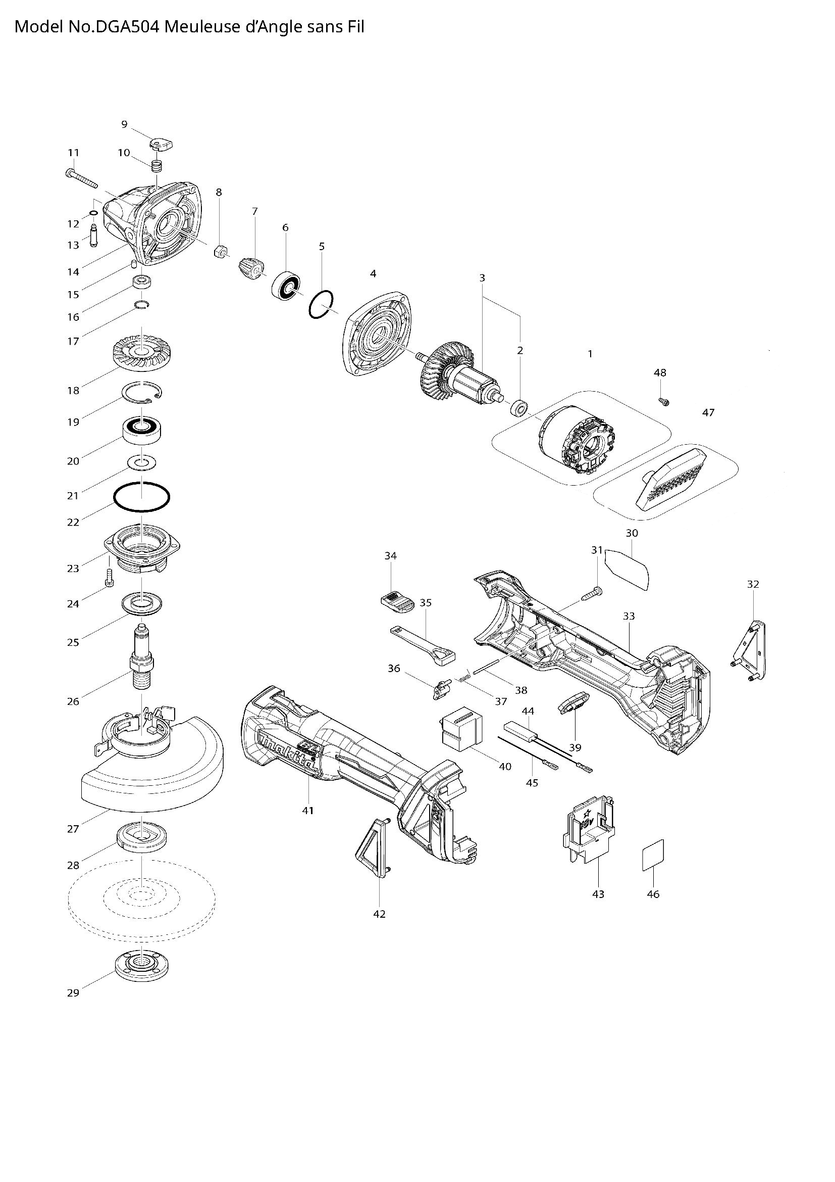
Pièces détachées Meuleuse Makita DGA504
Meuleuse
Makita
Pièces détachées meuleuse Makita 9558NB
Meuleuse
Makita
Pièces détachées meuleuse Makita DGA452
Meuleuse
Makita
Pièces détachées meuleuse d'angle Makita DGA506
Paiement sécurisé
Une équipe à votre écoute
Appelez-nous au 03 29 55 17 13
Chargement...
check_circle
check_circle